Discount Fleet Supply is now Great American Inc. Click Here for more information.

menu

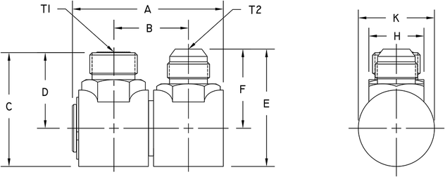
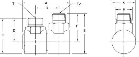
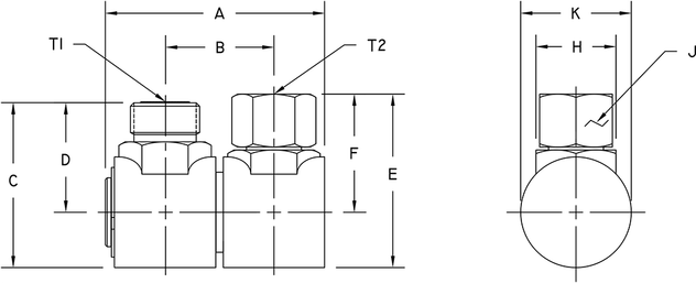
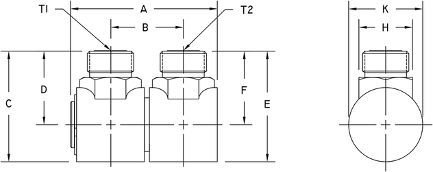
Hydraulics Inc. 18S20F20-P20 PARALLEL PLANE SWIVEL

SKU: 18S20F20-P20
$457.98
Each
Usually ships within 4-10 days
remove
add

Specifications

SKU18S20F20-P20