Discount Fleet Supply is now Great American Inc. Click Here for more information.

menu

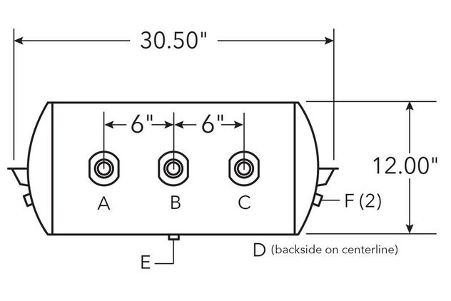
NATIONAL 240811 Glass Assy 4-Way

SKU: 240811
$82.22
Each
Usually ships within 4-10 days
remove
add

Specifications

SKU240811