Discount Fleet Supply is now Great American Inc. Click Here for more information.

menu

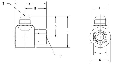
Hydraulics Inc. 9S16J16-PF16 90 DEG SWIVEL

SKU: 9S16J16-PF16
$147.48
Each
Usually ships within 4-10 days
remove
add

Specifications

SKU9S16J16-PF16