Discount Fleet Supply is now Great American Inc. Click Here for more information.

menu

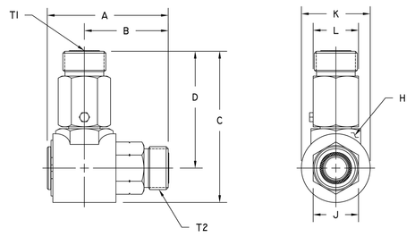
Hydraulics Inc. 9SS24F24-F24 DUAL PLANE SWIVEL

SKU: 9SS24F24-F24
$799.05
Each
Usually ships within 4-10 days
remove
add

Specifications

SKU9SS24F24-F24