Discount Fleet Supply is now Great American Inc. Click Here for more information.

menu

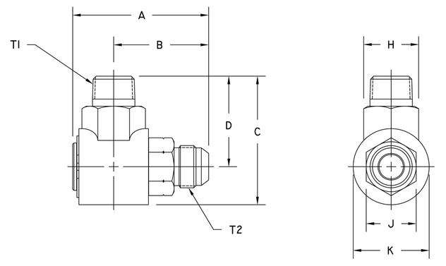
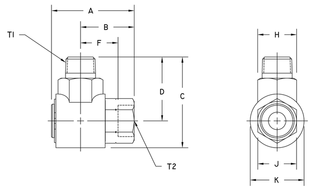
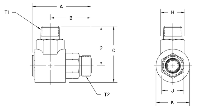
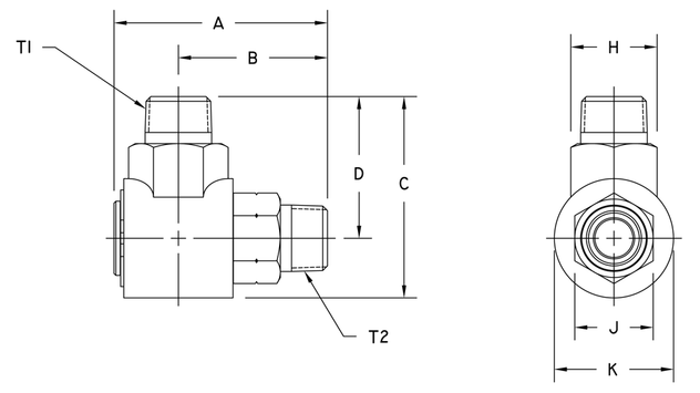
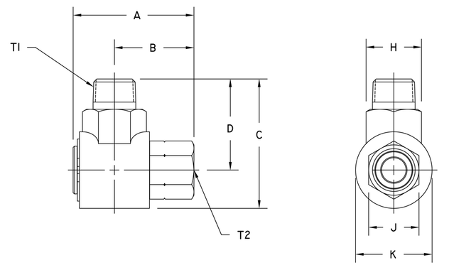
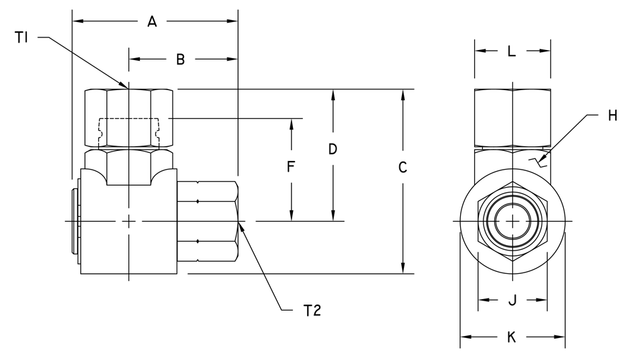
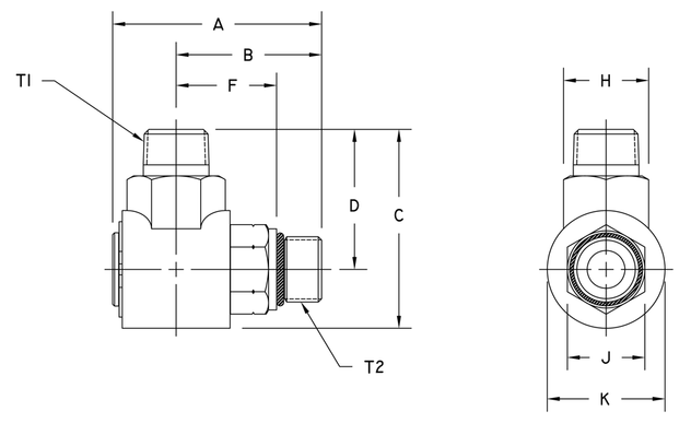
Hydraulics Inc. 9S16P16-PF16-3 90 DEG SWIVEL

SKU: 9S16P16-PF16-3
$147.48
Each
Usually ships within 4-10 days
remove
add

Specifications

SKU9S16P16-PF16-3