Discount Fleet Supply is now Great American Inc. Click Here for more information.

menu

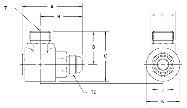
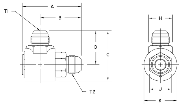
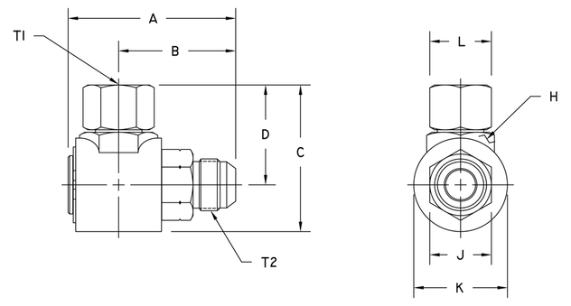
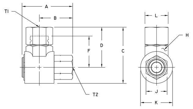
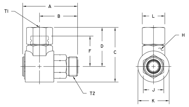
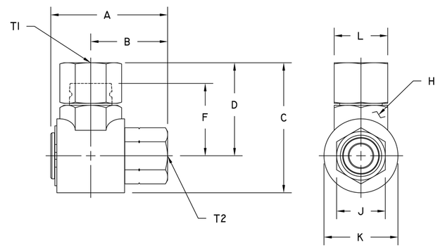
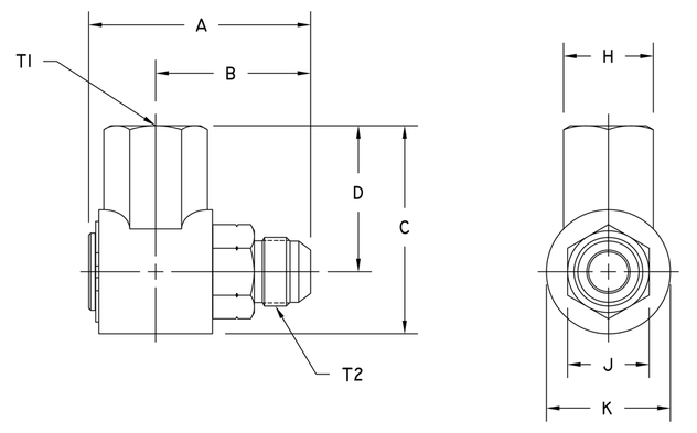
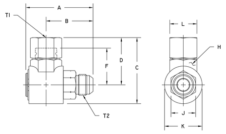
Hydraulics Inc. 9S24FU24-J24 90 DEG SWIVEL

SKU: 9S24FU24-J24
$501.77
Each
Usually ships within 4-10 days
remove
add

Specifications

SKU9S24FU24-J24