Discount Fleet Supply is now Great American Inc. Click Here for more information.

menu

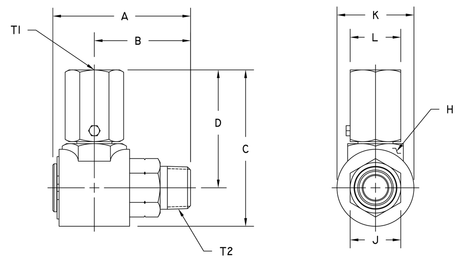
Hydraulics Inc. 9SS6PF4-P4 DUAL PLANE SWIVEL

SKU: 9SS6PF4-P4
$107.46
Each
Usually ships within 4-10 days
remove
add

Specifications

SKU9SS6PF4-P4