Discount Fleet Supply is now Great American Inc. Click Here for more information.

menu

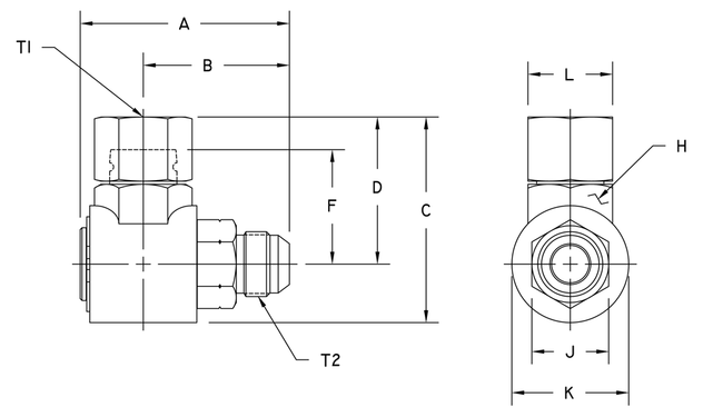
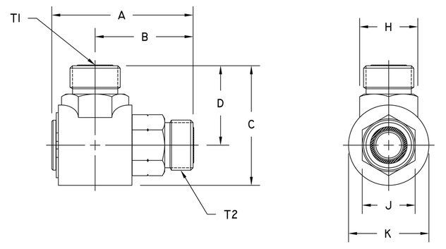
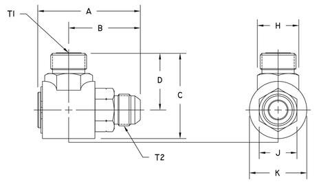
Hydraulics Inc. 9S16F16-J16 90 DEG SWIVEL

SKU: 9S16F16-J16
$151.23
Each
Usually ships within 4-10 days
remove
add

Specifications

SKU9S16F16-J16