Discount Fleet Supply is now Great American Inc. Click Here for more information.

menu

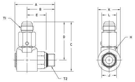
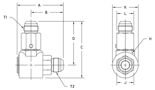
Hydraulics Inc. 9SS20J20-O20 DUAL PLANE SWIVEL

SKU: 9SS20J20-O20
$442.19
Each
Usually ships within 4-10 days
remove
add

Specifications

SKU9SS20J20-O20