Discount Fleet Supply is now Great American Inc. Click Here for more information.

menu

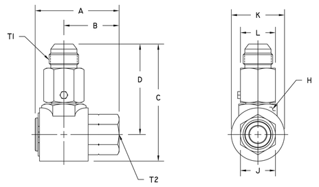
Hydraulics Inc. 9SS6J8-PF6 DUAL PLANE SWIVEL

SKU: 9SS6J8-PF6
$107.46
Each
Usually ships within 4-10 days
remove
add

Specifications

SKU9SS6J8-PF6