Discount Fleet Supply is now Great American Inc. Click Here for more information.

menu

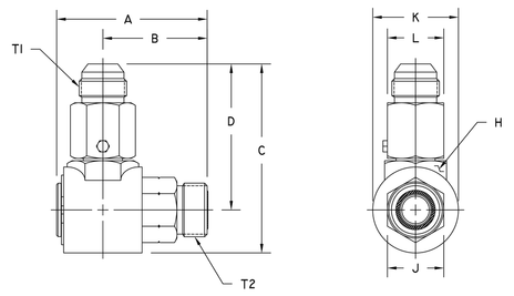
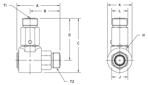
Hydraulics Inc. 9SS6J6-F6 DUAL PLANE SWIVEL

SKU: 9SS6J6-F6
$110.19
Each
Usually ships within 4-10 days
remove
add

Specifications

SKU9SS6J6-F6