Discount Fleet Supply is now Great American Inc. Click Here for more information.

menu

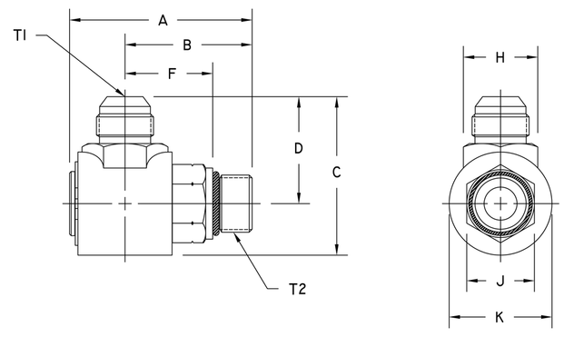
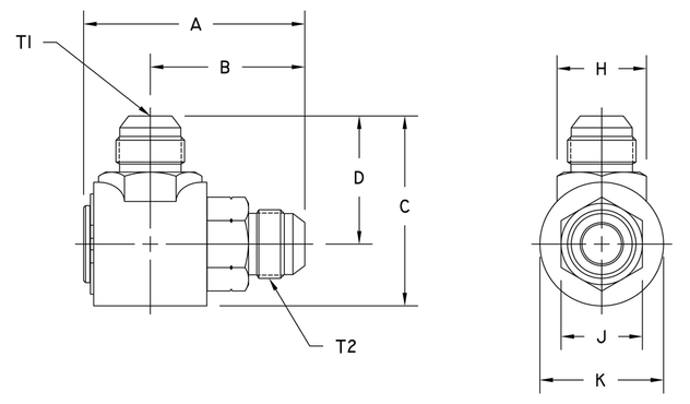
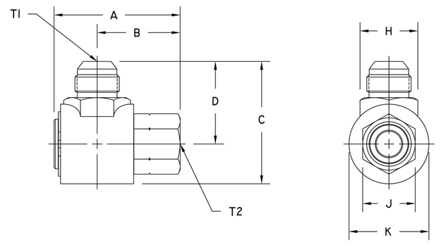
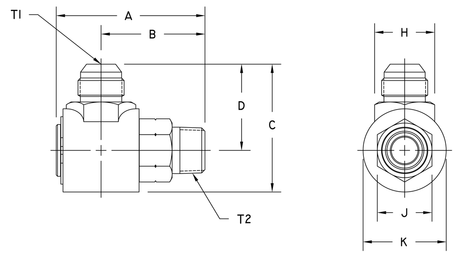
Hydraulics Inc. 9S32J32-P32 90 DEG SWIVEL

SKU: 9S32J32-P32
$658.59
Each
Usually ships within 4-10 days
remove
add

Specifications

SKU9S32J32-P32