Discount Fleet Supply is now Great American Inc. Click Here for more information.

menu

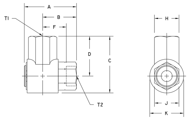
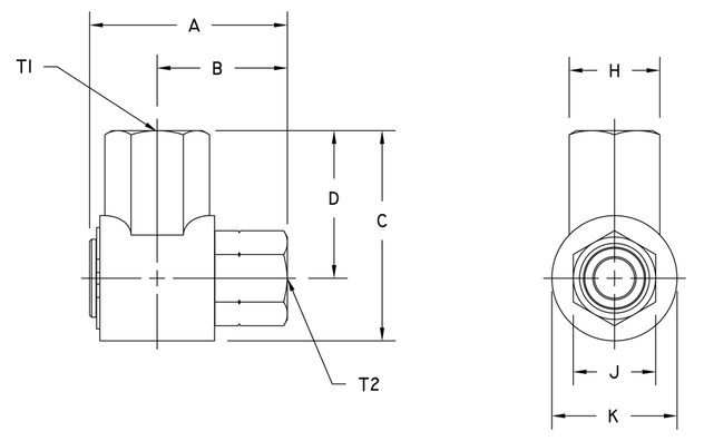
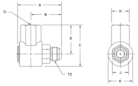
Hydraulics Inc. 9S4PF4-J5 90 DEG SWIVEL

SKU: 9S4PF4-J5
$75.98
Each
Usually ships within 4-10 days
remove
add

Specifications

SKU9S4PF4-J5