Discount Fleet Supply is now Great American Inc. Click Here for more information.

menu

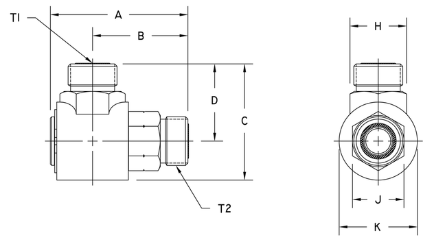
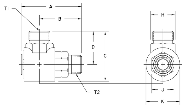
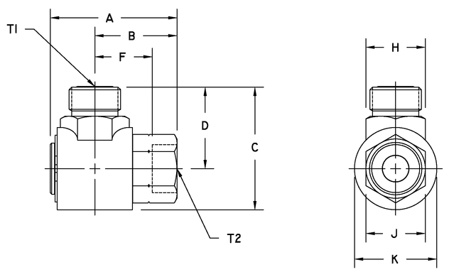
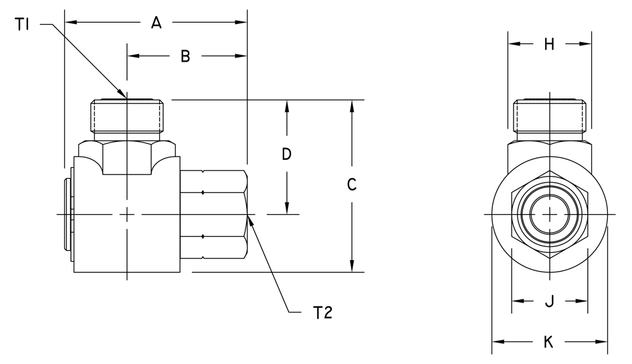
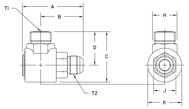
Hydraulics Inc. 9S20F20-F24 90 DEG SWIVEL

SKU: 9S20F20-F24
$277.07
Each
Usually ships within 4-10 days
remove
add

Specifications

SKU9S20F20-F24