Discount Fleet Supply is now Great American Inc. Click Here for more information.

menu

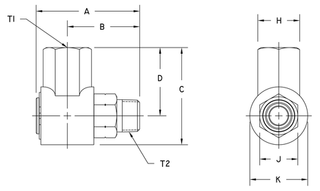
Hydraulics Inc. 9S6PF4-P6 90 DEG SWIVEL

SKU: 9S6PF4-P6
$69.71
Each
Usually ships within 4-10 days
remove
add

Specifications

SKU9S6PF4-P6