Discount Fleet Supply is now Great American Inc. Click Here for more information.

menu

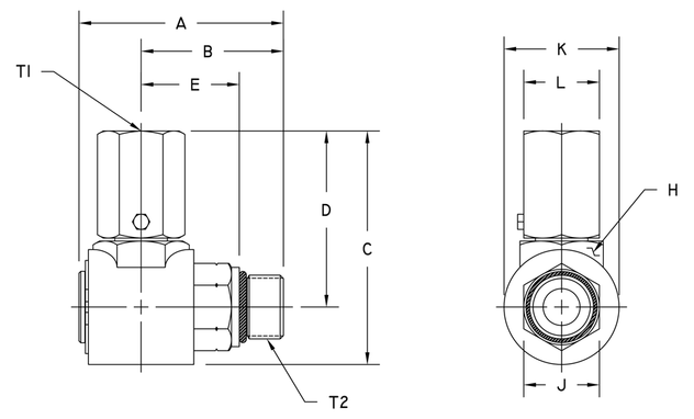
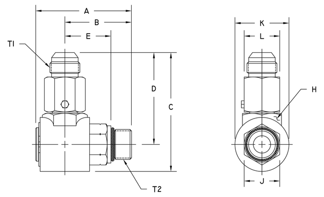
Hydraulics Inc. GS16F16-O16 IN-LINE SWIVEL

SKU: GS16F16-O16
$137.70
Each
Usually ships within 4-10 days
remove
add

Specifications

SKUGS16F16-O16