Discount Fleet Supply is now Great American Inc. Click Here for more information.

menu

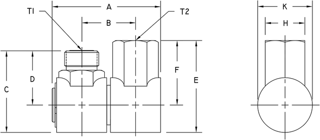
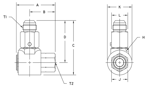
Hydraulics Inc. GS16J16-PF16 IN-LINE SWIVEL

SKU: GS16J16-PF16
$135.39
Each
Usually ships within 4-10 days
remove
add

Specifications

SKUGS16J16-PF16