Discount Fleet Supply is now Great American Inc. Click Here for more information.

menu

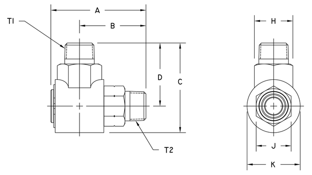
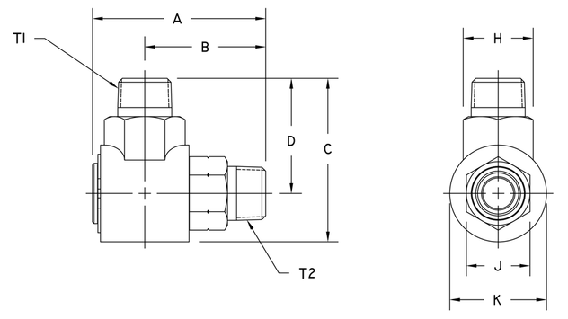
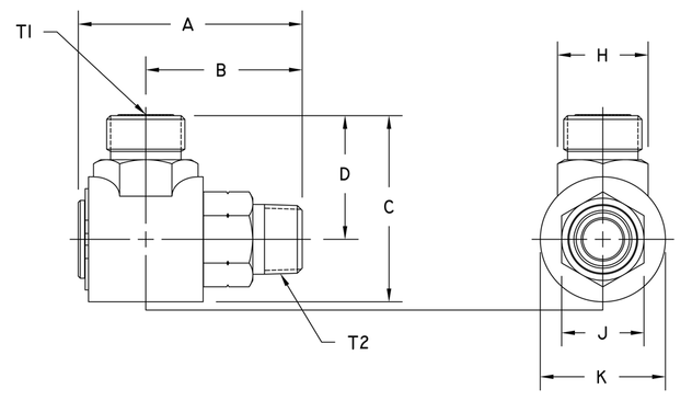
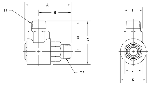
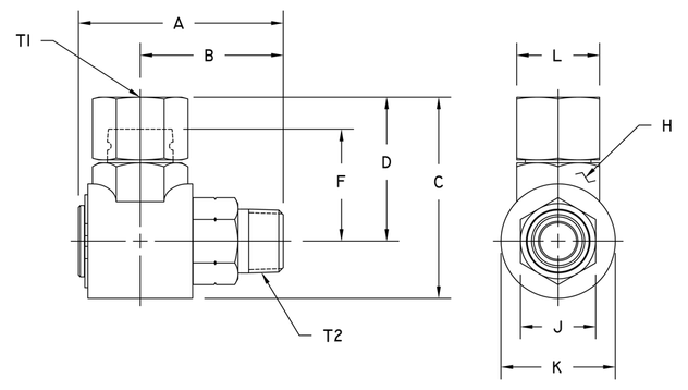
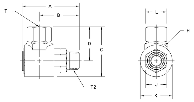
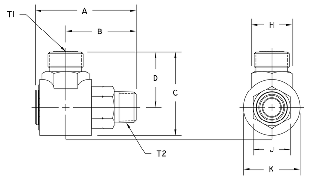
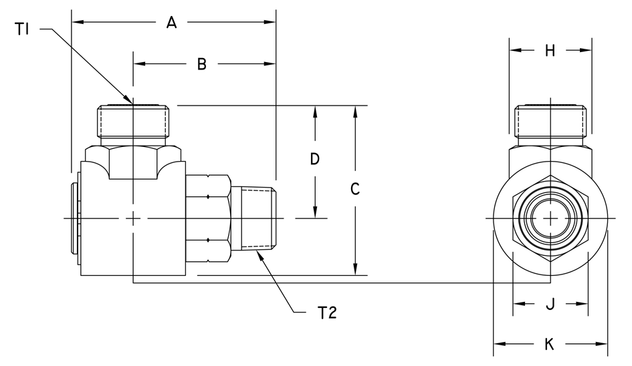
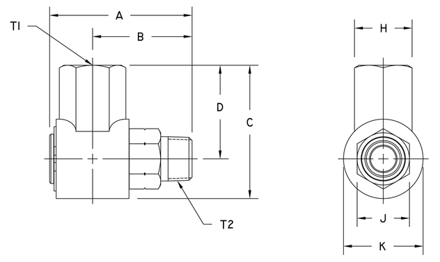
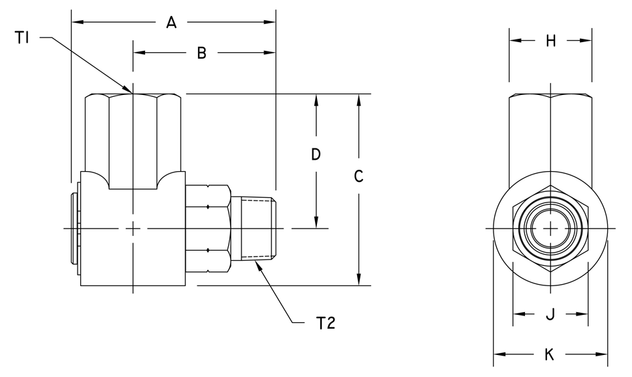
Hydraulics Inc. R49S6J4-P4 SPECIAL 90 DEG SWIVEL

SKU: R49S6J4-P4
$88.44
Each
Usually ships within 4-10 days
remove
add

Specifications

SKUR49S6J4-P4