Discount Fleet Supply is now Great American Inc. Click Here for more information.

menu

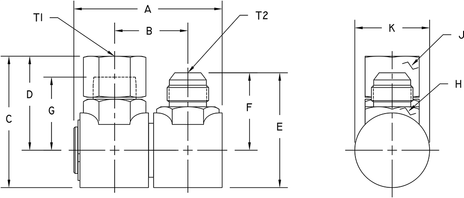
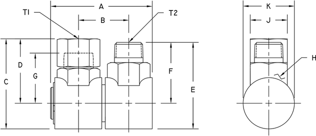
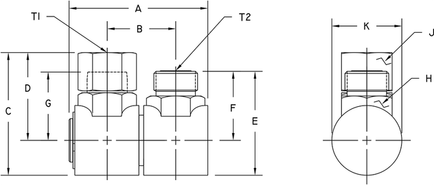
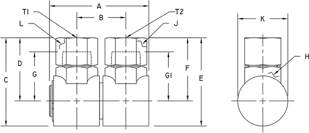
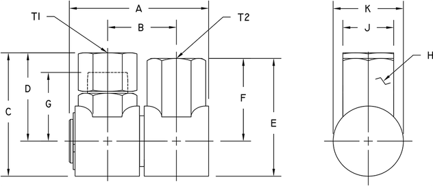
Hydraulics Inc. 18S24FU24-J24 PARALLEL PLANE SWIVEL

SKU: 18S24FU24-J24
$992.63
Each
Usually ships within 4-10 days
remove
add

Specifications

SKU18S24FU24-J24