Discount Fleet Supply is now Great American Inc. Click Here for more information.

menu

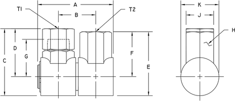
Hydraulics Inc. 18S8FU10-PF8 PARALLEL PLANE SWIVEL

SKU: 18S8FU10-PF8
$143.10
Each
Usually ships within 4-10 days
remove
add

Specifications

SKU18S8FU10-PF8