Discount Fleet Supply is now Great American Inc. Click Here for more information.

menu

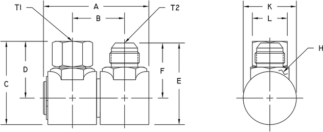
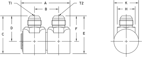
Hydraulics Inc. 18S6J5-J8 PARALLEL PLANE SWIVEL

SKU: 18S6J5-J8
$135.46
Each
Usually ships within 4-10 days
remove
add

Specifications

SKU18S6J5-J8