Discount Fleet Supply is now Great American Inc. Click Here for more information.

menu

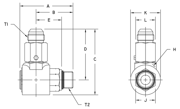
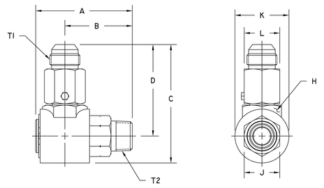
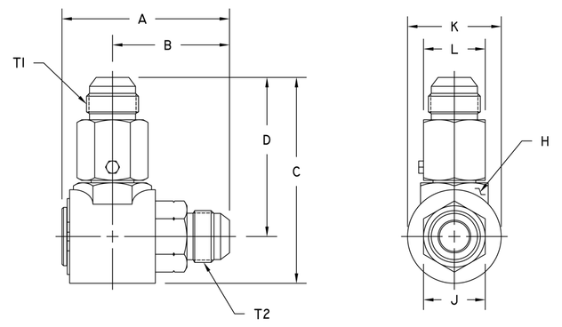
Hydraulics Inc. 9SS8J8-P8 DUAL PLANE SWIVEL

SKU: 9SS8J8-P8
$140.71
Each
Usually ships within 4-10 days
remove
add

Specifications

SKU9SS8J8-P8