Discount Fleet Supply is now Great American Inc. Click Here for more information.

menu

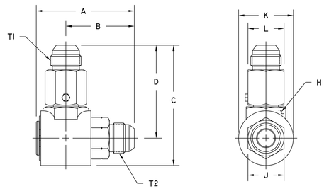
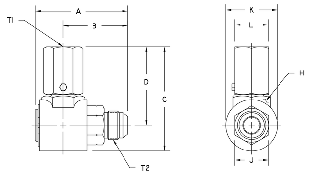
Hydraulics Inc. 9SS8J8-J8 DUAL PLANE SWIVEL

SKU: 9SS8J8-J8
$140.71
Each
Usually ships within 4-10 days
remove
add

Specifications

SKU9SS8J8-J8