Discount Fleet Supply is now Great American Inc. Click Here for more information.

menu

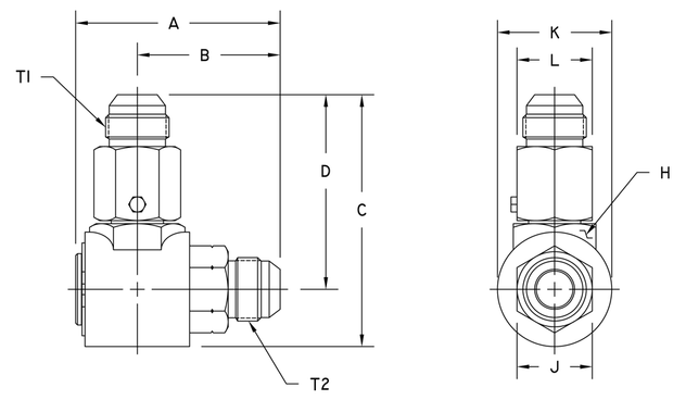
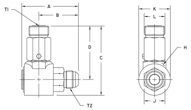
Hydraulics Inc. G9SS6J8-J8 DUAL PLANE SWIVEL

SKU: G9SS6J8-J8
$107.46
Each
Usually ships within 4-10 days
remove
add

Specifications

SKUG9SS6J8-J8