Discount Fleet Supply is now Great American Inc. Click Here for more information.

menu

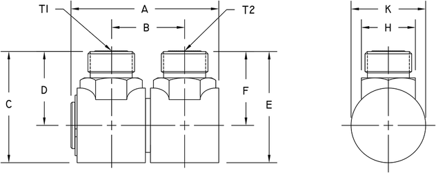
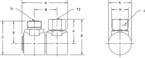
Hydraulics Inc. 18S12F12-PU12 PARALLEL PLANE SWIVEL

SKU: 18S12F12-PU12
$233.93
Each
Usually ships within 4-10 days
remove
add

Specifications

SKU18S12F12-PU12